![]() |
MPN
Range of Construction |
|
| Applications | Advantages |
|
|
| Special voltages, frequencies, or degrees of protection on request. | |
Model # |
Volume Max |
Pressure ht/ Head max |
Motor |
Suction Connections |
ET = Depth of Submersion |
||||
_ |
l/min |
gpm |
m |
ft |
kW |
hp |
Nom Bore |
Male Thread |
mm |
T 100 |
50 |
13 |
7 |
23 |
0.18 |
0.24 |
15 |
1" |
200 |
T 115 |
75 |
20 |
10 |
33 |
0.25 |
0.34 |
20 |
1 1/4" |
200-300-400 |
T 130 |
115 |
30 |
13 |
43 |
0.55 |
0.74 |
20 |
1 1/4" |
200-300-400 |
T 150 |
155 |
41 |
16 |
53 |
0.75 |
1.0 |
20 |
1 1/4" |
300-400-500 |
T 170 |
220 |
58 |
23 |
75 |
1.50 |
2.0 |
25 |
1 1/2" |
400-600-800 |
T 190 |
250 |
66 |
30 |
100 |
2.20 |
3.0 |
25 |
1 1/2" |
400-600-800 |
Type |
P kW |
ET=Depth of Submersion mm |
TE 115 |
0.25 |
200-300-400 |
TE 130 |
0.55 |
200-300-400 |
TE 150 |
0.75 |
300-400-500 |
TE 170 |
1.50 |
400-500-800 |
TE 190 |
2.20 |
400-600-800 |
PVDF & PP (T Range) Delivery Rates:

Stainless Steel (TE Range) Delivery Rates:
![]() |
|
|||||||||||||||||||||||||||||||||||||||||||||||||||||||||||||||||||||||||||||
![]() |
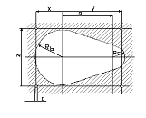
DIMENSIONS Install Opening
|
|||||||||||||||||||||||||||||||||||||||||||||||||||||||||||||||||||||||||||||
![]() |
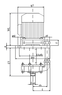
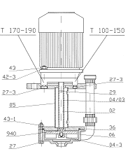
DIMENSIONS Type T
|
|||||||||||||||||||||||||||||||||||||||||||||||||||||||||||||||||||||||||||||